| 联系我们 |
|
地址:无锡滨湖区滨湖镇(南泉工业园)
邮编:214128
电话:0510-85953267
传真:0510-85953581
邮箱:myjtthsh@163.com
Http://www.myjtthsh.com |
|
|
| 产品中心 |
|
| WNS系列燃油燃气蒸汽、热水锅炉 |

| 项目、单位及数据、型号 |
WNS0.5-1
-Y(Q) |
WNS1.5-1
-Y(Q) |
WNS1.5-1
-Y(Q) |
WNS2-1
-Y(Q) |
WNS3-1
-Y(Q) |
WNS4-1.25
-Y(Q) |
WNS5-1.25
-Y(Q) |
WNS6-1.25
-Y(Q) |
WNS8-1.25-
Y(Q) |
WNS10-1.25
-Y(Q) |
| 额定蒸发量 |
t/h |
0.5 |
1 |
1.5 |
2 |
3 |
4 |
5 |
6 |
8 |
10 |
| 额定蒸汽压力 |
MPa |
1.0 |
1.0 |
1.0 |
1.0 |
1.0 |
1.25 |
1.25 |
1.25 |
1.25 |
1.25 |
| 额定蒸汽温度 |
℃ |
184 |
184 |
184 |
184 |
184 |
194 |
194 |
194 |
194 |
194 |
| 额定给水温度 |
℃ |
20 |
20 |
20 |
20 |
20 |
20 |
20 |
105 |
105 |
105 |
| 总受热面积 |
m2 |
15.4 |
30.7 |
43.39 |
60.9 |
90.5 |
124.7 |
128.3 |
136.3 |
187 |
217.6 |
| 排烟温度 |
℃ |
230 |
230 |
230 |
230 |
230 |
220 |
220 |
220 |
220 |
220 |
| 燃气锅炉效率 |
% |
91.78 |
91.44 |
91.55 |
91.77 |
92.14 |
92.3 |
92.03 |
92.15 |
91.87 |
92.29 |
| 适用燃料 |
/ |
柴油、重油、天然气、液化气、城市煤气
Diesel oil.Heavy oil.Natural gas.City gas |
| 林格曼黑度 |
/ |
<1级 |
| 燃料耗量 |
柴油 |
kg/h |
31.5 |
63 |
94 |
125.5 |
189 |
253 |
315 |
376 |
501 |
628 |
| 重油 |
kg/h |
33.02 |
66.99 |
98.89 |
131.72 |
197.55 |
263.12 |
328.55 |
394.26 |
525.57 |
680 |
天然气
|
Nm3/h |
37.5 |
75 |
113 |
151 |
225 |
300 |
375 |
449 |
600 |
750 |
| 液化气 |
Nm3/h |
12.66 |
25.38 |
38.05 |
50.68 |
76.01 |
101.24 |
126.41 |
151.7 |
202.2 |
252.8 |
| 城市煤气 |
Nm3/h |
75 |
150 |
226 |
302 |
450 |
600 |
750 |
898 |
1200 |
1500 |
| 燃烧器型号 |
轻油 |
/ |
L3Z |
L5Z |
L7Z |
L8Z |
L9Z |
L10Z |
RL11 |
RL11 |
RL60/2 |
RL70/2 |
| 重油 |
/ |
M3Z |
M5Z |
MS7Z |
MS8Z |
MS9Z |
RMS10 |
RMS11 |
RMS11 |
RMS60/2 |
RMS70/2 |
| 气体 |
/ |
G3 |
G5 |
G7G |
G8 |
G9 |
G10 |
G11 |
G11 |
G60/2 |
G70/2 |
| 燃烧器功率 |
轻油 |
kw |
0.76 |
1.4 |
2.6 |
4.0 |
6.5 |
9 |
12 |
12 |
13.5 |
21 |
| 重油 |
kw |
0.76 |
1.4 |
2.6 |
4.0 |
6.5 |
9 |
12 |
12 |
13.5 |
21 |
| kw/ |
4.5 |
4.5 |
13.2 |
13.2 |
13.2 |
13.2 |
22.4 |
22.4 |
22.4 |
22.4 |
| 气体 |
kw |
0.76 |
1.4 |
2.6 |
4.0 |
6.5 |
9 |
12 |
12 |
13.5 |
21 |
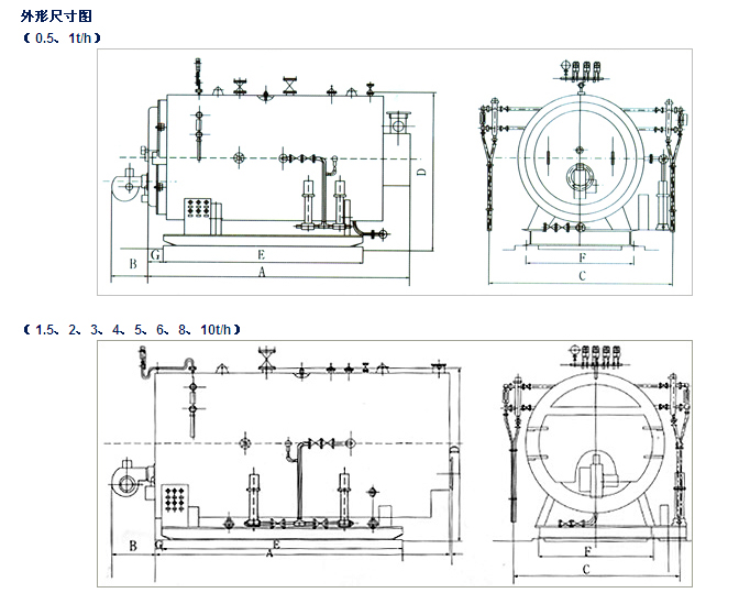
| 外形尺寸 |
A |
mm |
3152 |
3440 |
3600 |
4320 |
4560 |
5052 |
5700 |
6030 |
5350 |
6030 |
| B |
mm |
595 |
645 |
800 |
764 |
1010 |
970 |
1121 |
1121 |
1300 |
1320 |
| C |
mm |
2200 |
2350 |
2700 |
2450 |
2600 |
2700 |
2800 |
2800 |
3000 |
3000 |
| D |
mm |
1876 |
2234 |
2436 |
2434 |
2674 |
2684 |
2882 |
2882 |
3176 |
3176 |
| E |
mm |
2312 |
2740 |
2900 |
3400 |
3560 |
4052 |
4700 |
5030 |
4230 |
4930 |
| F |
mm |
1025 |
1500 |
1700 |
1500 |
1850 |
1850 |
1950 |
1950 |
2100 |
2150 |
| G |
mm |
250 |
200 |
200 |
303 |
300 |
300 |
300 |
350 |
400 |
350 |
| 锅炉重量 |
空炉 |
T |
2.7 |
4.87 |
5.5 |
7.32 |
10.1 |
12.86 |
14.7 |
15.3 |
18.6 |
21.3 |
| 满水 |
T |
3.7 |
6.4 |
7.6 |
12.8 |
16 |
22 |
24.7 |
25.5 |
32.5 |
38 |
| 使用电源 |
V |
380V/50Hz |
| 主蒸汽阀口径(DN) |
mm |
50 |
65 |
65 |
65 |
100 |
100 |
125 |
125 |
150 |
150 |
| 安全阀口径(DN) |
mm |
50 |
50×2 |
50×2 |
50×2 |
50×2 |
50×2 |
80 50 |
80 50 |
80×2 |
80×2 |
排污阀口径(DN)
|
mm |
40 |
40 |
40 |
40 |
40 |
40 |
40 |
40 |
40 |
40 |
| 给水泵型号 |
/ |
JGGC1 |
JGGC2 |
JGGC2 |
JGGC2 |
JGGC4 |
JGGC4 |
JGGC6 |
JGGC8 |
JGGC12 |
JGGC12 |
| -112/13 |
-126/14 |
-126/14 |
4-136/17 |
-128/16 |
8-143/19 |
-140/15 |
-160/20 |
5-15×10 |
5-15×10 |
| 给水泵功率 |
kw |
2.2 |
2.2 |
2.2 |
3 |
3 |
4 |
5.5 |
7.5 |
11 |
11 |
| 给水泵入口口径 |
/ |
G3/2" |
G3/2" |
G3/2" |
G3/2" |
G3/2" |
G3/2" |
G2" |
G2" |
φ65 |
φ65 |
| 水泵入口口径 |
mm |
15 |
15 |
15 |
15 |
15 |
15 |
15 |
15 |
15 |
15 |
| 液位计泄水口口径 |
/ |
R3/8" |
R1/2" |
R1/2" |
R1/2" |
R1/2" |
M30×1.5 |
M38×1.5 |
M38×1.5 |
M32×2 |
M32×2 |
| 烟囱口径 |
mm |
φ316 |
φ316 |
φ400 |
φ400 |
φ530 |
φ530 |
φ530 |
φ5 |
|
|
| 上一页:DZL系列快装蒸汽锅炉 下一页:SZS型燃油燃气、蒸汽锅炉 |  |
|
|